- 靜止式進相器用于水泥、礦山、冶金、化工等工礦企業的75kw至4500kw高、低壓三相繞式異步電動機,可使主電機的功率提高到0.96以上,無功功率降低60%以上,節電效率10%以上,數月后即可收回全部投資。
DYF系列半導體進相器是一種用于提高大中型繞線式異步電動機功率因數的新型無功功率補償設備。其性能優于傳統的電容補償。它沒有轉動部件,沒有換向器,不會產生火花,不怕灰塵,而且帶有自動過載和短路保護.安全可靠。它具有效率高.使用壽命長.維護方便,能適用于惡劣環境等一系列優點。本節能裝置特別適用干水泥、礦山、冶金、化工等行業。能顯著降低電動機和電力線路上損耗,節約電能,改善電網供電質量.降低電動機溫升,具有明顯經濟效益和社會效益。
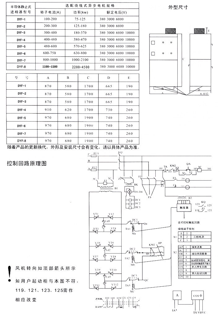
規格型號
概述:
DYF系列半導體進相器的主體是一臺自控式半導體變頻器。它能自動跟蹤電機轉速的變化,把50Hz的交流電轉變成與異步電動機的轉子電流頻率相同的電勢EF,施加到繞線式異步電動機的轉子繞組上,以改變電機的轉子和定子電流的相位(見圖2〕。使異步電動機的功率因數COS Φ1明顯提高.從電網吸取的無功功率大大減少。
功能特點
1、可使電機的功率因數提高到0.96以上,無功功率降低6O%以上,節電效率10%以上。
2、降低定了電流達10%-20%,降低線損,銅損20%-30%。
3、電機溫升顯著降低.過載能力和效率大大提高.電機使用壽命延長。
4、具有故障自動保護功能,保障設備長期安全運行。
5、操作簡單,安裝調試和維修保養均不影響正常生產。連續運行,半年可收回全部投資。

安裝:
DYF系列進相器需現場調測,故安裝調試須有我方技術人員現場指導。
DYF系列半導體進相器僅在室內使用,垂直安裝.環境參數如下,特殊條件下使用的,用戶須先申明。
海拔高度:不大于1000m 溫度:較高不大于 +40'C最低不低于-10'C;
相對濕度:不大于90% 通風需求:柜體上方的500mm無任何物體.底部架高100mm
安全要求:無爆炸,腐蝕性氣體,無導電塵埃。
電氣安裝請參照原理圖:
1,將柜體后部有電流傳感器的三個接線端與主電機轉子相連。
2,將柜體后部沒有電流傳感器的三個接線端接到主機起動柜。
3,進相機上的電流表,功率因數表是直接從電機定子回路上的電流互感器,電壓互感器取信號。電流互感器副邊額定電流為5A.電壓互感器副邊電壓100V.若為低壓電機,電壓信號直接從定子回路取.請參考功率因數表上的接線圖。
4,參照原理圖.將接線端子X2上的103,105,119,121,123,125與起動柜聯鎖好。
5,進相器主電源為三相380V。
6,只有主電機帶上負載后.才可調試進相器。
操作:
首次操作時,請請注意風機轉向如頂部箭頭所示,否則將引起進相器損壞。
打開進相器前柜門.按下空氣開關KQ,柜體面部紅色電源指示燈亮:主機起動.一直到起動完畢。等主機正常運行后,按進相按鈕,進相器投入運行。按退相按鈕,進相器退出,只有在退相狀態下,主機才可停車。
維護和故障處理:
一,進相前先觀察觸發器各指示燈是否正常。
各指示燈含義如下;
(1)主機(中間一塊)的指示燈.從上往下數.
L1、L2, L3電機轉子三相電流信號指示:
L4+5V電源指示。
L5熱故障指示。
L6缺相及自動故障保護指示。
L7、L8,+15V、-15V電源指示.
(2)驅動板的指示燈.分別代表12個可控硅的觸發信號。
當電機運轉到.L1、L2. L3循環顯示.L4,L5,L6,L7,L8,保持亮的狀態,驅動板的12個指示燈亮并有輕微閃爍。
二,進相后,風機運轉應正常,方向如項部箭頭所示!風機接觸器若有噪音、火花,應立即更換。
三,進相機出現故障時.清按下述步驟檢查:
1、若不能投入進相
(1)熔斷器FU1、FU2熔斷,
a,變壓器B1故隨.檢修或更換。b、可控硅擊穿.更換。c、觸發器故障。觀察驅動板是否有燈不亮或亮但不閃爍_一個板子上有部分燈不亮,更換對應的2004。一個板子上全不亮更換555。
(2)主機起動柜內短路接觸器常開輔助觸點103、105不通:
(3)退相按扭常閉觸點不通.
(4)接觸器3C或FJ損壞,更換。
(5)固態繼電器FZ壞.固態繼電器直流端有+15V電壓.而輸出不通,更換。
(6) 若固態繼電器直流端沒有+15V電壓,檢修觸發器。
a, L6燈不亮.其他燈正常,更換IC209,仍不正常.更換IC207.
b,主板上L4,.L7、L8燈不亮,說明電源故障,更換IC203, IC202,IC204,檢查電源變壓器B2。
c, L1,L2, L3不是循環顯示.首先確定主機運轉正常,轉子回路沒有損壞,把主板上的四位撥碼開關拔到ON的位置.接通電源顯示正常,更換IC210,仍不正常:依次更換主板上的IC 211、IC207,IC205。檢修后拔碼開關拔到原來位置,更換后仍不正常,說明電流傳感器是壞的。從柜體后面自左向右為TA1、TA2 ,TA3對應主板上L1, L2, L3燈。
d,若L 5. L6不亮,其他燈正常.檢查風機是否正常.檢測可控硅.壞的更換。
2,投入但無效果,若觸發器指示燈正常,說明有可控硅壞的??煽毓韬唵螜z測方法是測各極間電阻。觸發極與陰極間正反向均為幾十歐姆.陽極與其他極間正反向均為幾十千
歐以上。
3, 進注相器大修后若投入進相主電機定子電流增大.需改變變壓器B2的電壓相序。
上一個:沒有了
下一個:沒有了


